Product Summary
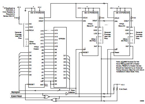
The XC3190A-4PQ160I is a Field Programmable Gate Array (FPGA). The XC3190A-4PQ160I provides a group of high-performance, high-density, digital integrated circuits. Its regular, extendable, flexible, user-programmable array architecture is composed of a configuration program store plus three types of config-urable elements: a perimeter of I/O Block (IOB), a core array of Configurable Logic Bock (CLB) and resources for interconnection. The general structure of an FPGA. The development system of the XC3190A-4PQ160I provides schematic capture and auto place-and-route for design entry. Logic and timing simulation, and in-circuit emulation are available as design verification alternatives. The design editor is used for interactive design optimization, and to compile the data pattern that represents the configuration program.
Parametrics
XC3190A-4PQ160I absolute maximum ratings: (1)Supply voltage relative to GND, VCC: -0.5 to +7.0 V; (2)Input voltage with respect to GND, VIN: -0.5 to VCC +0.5 V; (3)Voltage applied to 3-state output, VTS: -0.5 to VCC +0.5 V; (4)Storage temperature (ambient), TSTG: -65 to +150℃; (5)Maximum soldering temperature (10 s @ 1/16 in.), TSOL: +260℃; (6)Junction temperature plastic, TJ: +125℃; (7)Junction temperature ceramic, TJ: +150℃.
Features
XC3190A-4PQ160I features: (1)Complete line of four related Field Programmable Gate Array product families - XC3000A, XC3000L, XC3100A, XC3100L; (2)Ideal for a wide range of custom VLSI design tasks, Replaces TTL, MSI, and other PLD logic; Integrates complete sub-systems into a single package; Avoids the NRE, time delay, and risk of conventional masked gate arrays; (3)High-performance CMOS static memory technology, Guaranteed toggle rates of 70 to 370 MHz, logic delays from 7 to 1.5 ns; System clock speeds over 85 MHz; Low quiescent and active power consumption; (4)Flexible FPGA architecture, Compatible arrays ranging from 1,000 to 7,500 gate complexity; Extensive register, combinatorial, and I/O capabilities; High fan-out signal distribution, low-skew clock nets; Internal 3-state bus capabilities; TTL or CMOS input thresholds; On-chip crystal oscillator amplifier; (5)Unlimited reprogrammability, Easy design iteration; In-system logic changes; (6)Extensive packaging options, Over 20 different packages; Plastic and ceramic surface-mount and pin-grid-array packages; Thin and Very Thin Quad Flat Pack (TQFP and VQFP) options; (7)Ready for volume production, Standard, off-the-shelf product availability; 100% factory pre-tested devices; Excellent reliability record; (8)Complete Development System, Schematic capture, automatic place and route; Logic and timing simulation; Interactive design editor for design optimization; Timing calculator; Interfaces to popular design environments like Viewlogic, Cadence, Mentor Graphics, and others.
Diagrams

![]() |
![]() XC31 |
![]() Other |
![]() |
![]() Data Sheet |
![]() Negotiable |
|
||||
![]() |
![]() XC3100 |
![]() Other |
![]() |
![]() Data Sheet |
![]() Negotiable |
|
||||
![]() |
![]() XC3100A |
![]() Other |
![]() |
![]() Data Sheet |
![]() Negotiable |
|
||||
![]() |
![]() XC3100L |
![]() Other |
![]() |
![]() Data Sheet |
![]() Negotiable |
|
||||
![]() |
![]() XC3120A-3PC68C |
![]() |
![]() IC LOGIC CL ARRAY 2000GAT 68PLCC |
![]() Data Sheet |
![]() Negotiable |
|
||||
![]() |
![]() XC3130A-3PC84C |
![]() |
![]() IC LOGIC CL ARRAY 3000GAT 84PLCC |
![]() Data Sheet |
![]() Negotiable |
|
||||
(China (Mainland))








