Product Summary
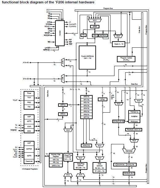
The TMS320F206PZA Texas Instruments (TI) digital signal processor (DSP) is fabricated with static CMOS integrated-circuit technology, and the architectural design is based upon that of the TMS320C20x series, optimized for low-power operation. The combination of advanced Harvard architecture, on-chip peripherals, on-chip memory, and a highly specialized instruction set is the basis of the operational flexibility and speed of the F206.
Parametrics
Absolute maximum ratings: (1)Supply voltage range, VDD: -0.3 V to 7 V; (2)Input voltage range: -0.3 V to 7 V; (3)Output voltage range: -0.3 V to 7 V; (4)Operating free-air temperature range, TA : -40℃ to 85℃; (5)Storage temperature range, Tstg: -55℃ to 150℃.
Features
Features: (1)High-Performance Static CMOS Technology; (2)Includes the T320C2xLP Core CPU; (3)TMS320F206 is a Member of the TMS320C20x Generation, Which Also Includes the TMS320C203, and TMS320C209 Devices; (4)Instruction-Cycle Time 50 ns @ 5 V; (5)Source Code Compatible With TMS320C25; (6)Upwardly Code-Compatible With TMS320C5x Devices; (7)Three External Interrupts; (8)32-Bit ALU/Accumulator; (9)16×16-Bit Multiplier With a 32-Bit Product; (10)Block Moves from Data and Program Space; (11)Input Clock Options: Options-Multiply-by-One, -Two, or -Four and Divide-by-Two; (12)Support of Hardware Wait States; (13)Power Down IDLE Mode; (14)IEEE 1149.1?Compatible Scan-Based Emulation; (15)100-Pin Thin Quad Flat Package (TQFP)(PZ Suffix).
Diagrams

| Image | Part No | Mfg | Description | ![]() |
Pricing (USD) |
Quantity | ||||
|---|---|---|---|---|---|---|---|---|---|---|
![]() |
![]() TMS320F206PZA |
![]() Texas Instruments |
![]() Digital Signal Processors & Controllers (DSP, DSC) Digital Signal Proc |
![]() Data Sheet |
![]() Negotiable |
|
||||
| Image | Part No | Mfg | Description | ![]() |
Pricing (USD) |
Quantity | ||||
![]() |
![]() TMS3112 |
![]() Other |
![]() |
![]() Data Sheet |
![]() Negotiable |
|
||||
![]() |
![]() TMS3121 |
![]() Other |
![]() |
![]() Data Sheet |
![]() Negotiable |
|
||||
![]() |
![]() TMS320 |
![]() Other |
![]() |
![]() Data Sheet |
![]() Negotiable |
|
||||
![]() |
![]() TMS32010 |
![]() Other |
![]() |
![]() Data Sheet |
![]() Negotiable |
|
||||
![]() |
![]() TMS320AV7110 |
![]() Other |
![]() |
![]() Data Sheet |
![]() Negotiable |
|
||||
![]() |
![]() TMS320BC51PQ100 |
![]() Texas Instruments |
![]() Digital Signal Processors & Controllers (DSP, DSC) TMS320C51PQ - 132QFP - 100MHZ/BOOT CODE |
![]() Data Sheet |
![]() Negotiable |
|
||||
(China (Mainland))










