Product Summary
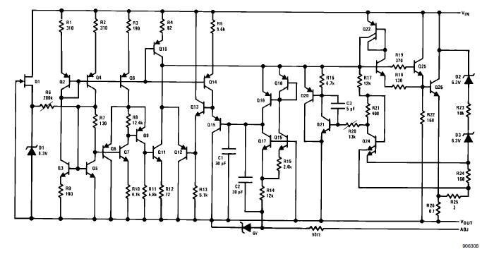
The LM117K/883 is a 3-Terminal Adjustable Regulator. It is capable of supplying in excess of 1.5A over a 1.2V to 37V output range. The LM117K/883 is exceptionally easy to use and require only two external resistors to set the output voltage.
Parametrics
LM117K/883 absolute maximum ratings: (1)Power Dissipation: Internally Limited; (2)Input-Output Voltage Differential: +40V to -0.3V; (3)Storage Temperature: -65℃ to +150℃; (4)Lead Temperature Metal Package (Soldering, 10 seconds): 300℃; (5)Plastic Package (Soldering, 4 seconds): 260℃; (6)ESD Tolerance: 3 kV; (7)Operating Temperature Range: -55℃ to +150℃.
Features
LM117K/883 features: (1) Guaranteed max. 0.3% load regulation (LM117); (2) Guaranteed 1.5A output current; (3) Adjustable output down to 1.2V; (4) Current limit constant with temperature; (5) P+ Product Enhancement tested; (6)80 dB ripple rejection; (7) Output is short-circuit protected.
Diagrams

![]() |
![]() LM11 |
![]() Other |
![]() |
![]() Data Sheet |
![]() Negotiable |
|
||||
![]() |
![]() LM110 |
![]() Other |
![]() |
![]() Data Sheet |
![]() Negotiable |
|
||||
![]() |
![]() LM1100XJ |
![]() Other |
![]() |
![]() Data Sheet |
![]() Negotiable |
|
||||
![]() |
![]() LM1108 |
![]() Other |
![]() |
![]() Data Sheet |
![]() Negotiable |
|
||||
![]() |
![]() LM110H |
![]() Other |
![]() |
![]() Data Sheet |
![]() Negotiable |
|
||||
![]() |
![]() LM111 |
![]() Other |
![]() |
![]() Data Sheet |
![]() Negotiable |
|
||||
(China (Mainland))








