Product Summary
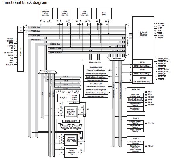
The TMS320C32PCMA50 is a digital signal processor (DSP) from Texas Instruments. The TMS320C32PCMA50 is an enhanced 32-bit floating-point processor manufactured in 0.7-mm triple-level-metal CMOS technology. The enhancements to the device architecture include a variable-width external-memory interface, faster instruction cycle time, power-down modes, two-channel DMA coprocessor with configurable priorities, flexible boot loader, relocatable interrupt-vector table, and edge- or level-triggered interrupts.
Parametrics
TMS320C32PCMA50 absolute maximum ratings: (1)Supply voltage range, VCC: -0.3 V to 7 V; (2)Input voltage range: -0.3 V to 7 V; (3)Output voltage range, VO: -0.3 V to 7 V; (4)Continuous power dissipation: 1.95 W; (5)Operating case temperature, TC (PCM (commercial): 0℃ to 85℃; (6)(PCMA (extended): -40℃ to 125℃; (7)Storage temperature range, Tstg: -55℃ to 150℃.
Features
TMS320C32PCMA50 features: (1)High-Performance Floating-Point DSP, TMS320C32-60 (5 V); 33-ns Instruction Cycle Time; 330 Million Operations Per Second; (2)(MOPS), 60 Million Floating-Point; Operations Per Second (MFLOPS), 30; Million Instructions Per Second (MIPS); TMS320C32-50 (5 V); 40-ns Instruction Cycle Time; 275 MOPS, 50 MFLOPS, 25 MIPS; TMS320C32-40 (5 V); 50-ns Instruction Cycle Time; 220 MOPS, 40 MFLOPS, 20 MIPS; (3)32-Bit High-Performance CPU; (4)16-/32-Bit Integer and 32-/40-Bit Floating-Point Operations; (5)32-Bit Instruction Word, 24-Bit Addresses; (6)Two 256 × 32-Bit Single-Cycle, Dual-Access On-Chip RAM Blocks; (7)Flexible Boot-Program Loader; (8)On-Chip Memory-Mapped Peripherals: One Serial Port; Two 32-Bit Timers; Two-Channel Direct Memory Access (DMA) Coprocessor With Configurable Priorities; (9)Enhanced External Memory Interface That Supports 8-/16-/32-Bit-Wide External RAM for Data Access and Program Execution From 16-/32-Bit-Wide External RAM; (10)TMS320C30 and TMS320C31 Object Code Compatible; (11)Fabricated using 0.7 mm Enhanced, Performance Implanted CMOS (EPICE); Technology by Texas Instruments (TIE).
Diagrams

| Image | Part No | Mfg | Description | ![]() |
Pricing (USD) |
Quantity | ||||
|---|---|---|---|---|---|---|---|---|---|---|
![]() |
![]() TMS320C32PCMA50 |
![]() Texas Instruments |
![]() Digital Signal Processors & Controllers (DSP, DSC) Digital Signal Proc |
![]() Data Sheet |
![]() Negotiable |
|
||||
| Image | Part No | Mfg | Description | ![]() |
Pricing (USD) |
Quantity | ||||
![]() |
![]() TMS3112 |
![]() Other |
![]() |
![]() Data Sheet |
![]() Negotiable |
|
||||
![]() |
![]() TMS3121 |
![]() Other |
![]() |
![]() Data Sheet |
![]() Negotiable |
|
||||
![]() |
![]() TMS320 |
![]() Other |
![]() |
![]() Data Sheet |
![]() Negotiable |
|
||||
![]() |
![]() TMS32010 |
![]() Other |
![]() |
![]() Data Sheet |
![]() Negotiable |
|
||||
![]() |
![]() TMS320AV7110 |
![]() Other |
![]() |
![]() Data Sheet |
![]() Negotiable |
|
||||
![]() |
![]() TMS320BC51PQ100 |
![]() Texas Instruments |
![]() Digital Signal Processors & Controllers (DSP, DSC) TMS320C51PQ - 132QFP - 100MHZ/BOOT CODE |
![]() Data Sheet |
![]() Negotiable |
|
||||
(China (Mainland))










