Product Summary
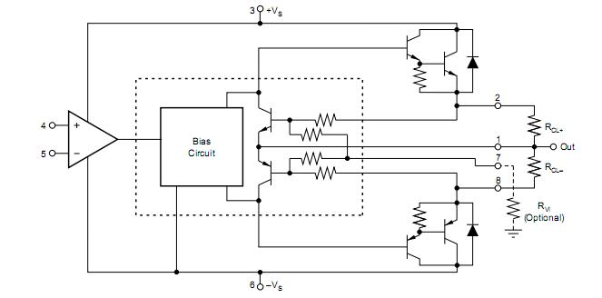
The OPA512AM is a high voltage, very-high current operational amplifier designed to drive a wide variety of resistive and reactive loads. Its complementary class A/B output stage provides superior performance in applications requiring freedom from cross-over distortion. The OPA512AM employs a laser-trimmed monolithic integrated circuit to bias the output transistors, providing excellent low-level signal fidelity and high output voltage swing. The applications of the OPA512AM are servo amplifier, motor driver, syncro excitation, audio amplifier, test pin driver.
Parametrics
OPA512AM absolute maximum ratings: (1)Supply Voltage:100V; (2)Output Current: Source:15A; (3)Power Dissipation, Internal:125W; (4)Input Voltage: Differential:±(|VS|–3V), Common-mode: ±VS; (5)Temperature: Pins (soldering, 10s):+300℃, Junction: +200℃; (6)Temperature Range: Storage:–65℃ to +150℃, Operating (Case):-55℃ to +125℃.
Features
OPA512AM features: (1) wide supply range: ±10V to ±50V; (2) high output current: 15A Peak; (3) class A/B output stage; (4)low distortion; (5)voltage-current limit protection circuit; (6)small TO-3 package.
Diagrams

(China (Mainland))






