Product Summary
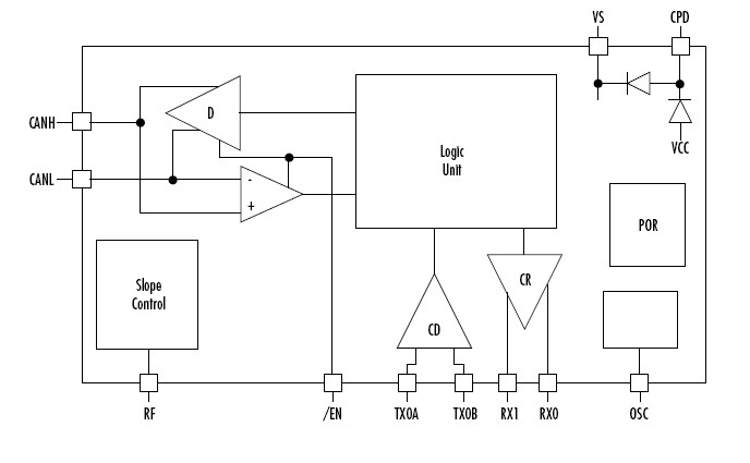
The MTC-3054 is a CAN physical layer. It is used for serial data interchange between electronic units in automotive applications. The MTC-3054 was developed by Alcatel Microelectronics in co-operation with WABCO Westinghouse Fahrzeugbremsen GmbH.
Parametrics
MTC-3054 absolute maximum ratings: (1)TB Storage temperature: - 55 to 150℃; (2)VCC Power supply voltage: - 0.5 to 6.0 V; (3)VS Power supply voltage: - 0.5 to 65 V; (4)Vid Voltage at digital input pins: - 0.5 to VCC + 0.5 V; (5)Via Voltage at analog input pins: - 0.5 to VCC + 0.5 V; (6)VBUS Voltage at bus pins CanH and CanL: - 3 to 65 V; (7)VBAT Supply voltage for the module: 8 to 32 V; (8)Ibus Current through the bus pins CanH and CanL: - 300 to 300mA.
Features
MTC-3054 features: (1)Technology: High voltage BICMOS (HBIMOS); (2)Line interface circuit for Controller Area Network (CAN - ISO/DIS 11898); (3)Up to 500Kbit/s data rates; (4)Integrated protection against automotive disturbances, including Load-dump; (5)Optimal design of transmitter with programmable slope; (6)minimizes RFI emission, eliminating need for screened cables; (7)Fully compatible with CAN controller interface standards; (8)Tri-stateable driver; (9)16 Pin SOP package; (10)Suitable for 12V or 24V vehicle systems.
Diagrams

(China (Mainland))






