Product Summary
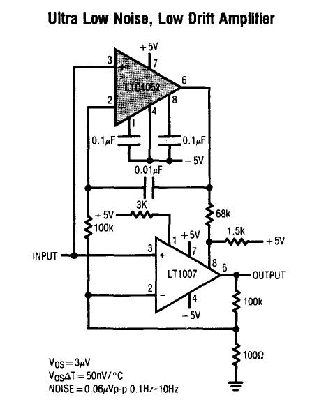
The LTC1052CN8 is a low noise Chopper stabilized op amp (CSOA) manufactured using Linear Technology’s enhanced LTCMOS silicon gate process. Chopper-stabilization constantly corrects offset voltage errors. Both initial offset and changes in the offset due to time, temperature and common-mode voltage are corrected. This, coupled with picoampere input currents, gives the LTC1052CN8 unmatched performance. The applications of the LTC1052CN8 include thermocouple amplifiers, strain gauge amplifiers, low level signal processing, and medical instruction.
Parametrics
LTC1052CN8 absolute maximum ratings: (1)Total supply voltage (V+ to V-): 18V; (2)Input voltage: (V+ +0.3) to (V--0.3)V; (3)Output short circuit duration: indefinite; (4)Operating temperature range: -40 to 85℃; (5)Storage temperature range: -55 to 150℃; (6)Lead temperature( soldering, 10sec): 300℃.
Features
LTC1052CN8 features: (1)Guaranteed Max. Offset: 5μV; (2)Guaranteed Max. Offset Drift: 0.05μV/℃; (3)Tvd. Offset Drift: 0.01μV/℃; (4)Excellent Long Term Stability: 100nV; (5)Guaranteed Max. Input Bias Current: 30pA; (6)Over Operating Temperature Range; (7)Guaranteed Min. Gain: 120dB; (8)Guaranteed Min. CMRR: 120dB; (9)Guaranteed Min. PSRR: 120dB; (10)Single Supply Operation (Input Voltage Range Extends to Ground): 4.75V to 16V; (11)External Capacitors can be Returned to V- No Noise Degradation.
Diagrams

| Image | Part No | Mfg | Description | ![]() |
Pricing (USD) |
Quantity | ||||||||||
|---|---|---|---|---|---|---|---|---|---|---|---|---|---|---|---|---|
![]() |
![]() LTC1052CN8#PBF |
![]() |
![]() IC OPAMP CHOP-STBL LONOISE 8DIP |
![]() Data Sheet |
![]()
|
|
||||||||||
| Image | Part No | Mfg | Description | ![]() |
Pricing (USD) |
Quantity | ||||||||||
![]() |
![]() LTC1040 |
![]() Other |
![]() |
![]() Data Sheet |
![]() Negotiable |
|
||||||||||
![]() |
![]() LTC1040CN |
![]() |
![]() IC COMPARATOR LOW PWR DUAL 18DIP |
![]() Data Sheet |
![]()
|
|
||||||||||
![]() |
![]() LTC1040CN#PBF |
![]() |
![]() IC COMPARATOR LOW PWR DUAL 18DIP |
![]() Data Sheet |
![]()
|
|
||||||||||
![]() |
![]() LTC1040CSW |
![]() |
![]() IC COMPARATOR LOW PWR DUAL18SOIC |
![]() Data Sheet |
![]()
|
|
||||||||||
![]() |
![]() LTC1040CSW#PBF |
![]() |
![]() IC COMPARATOR LOW PWR DUAL18SOIC |
![]() Data Sheet |
![]()
|
|
||||||||||
![]() |
![]() LTC1040CSW#TR |
![]() |
![]() IC COMPARATOR DUAL LOWPWR 18SOIC |
![]() Data Sheet |
![]()
|
|
||||||||||
(China (Mainland))












