Product Summary
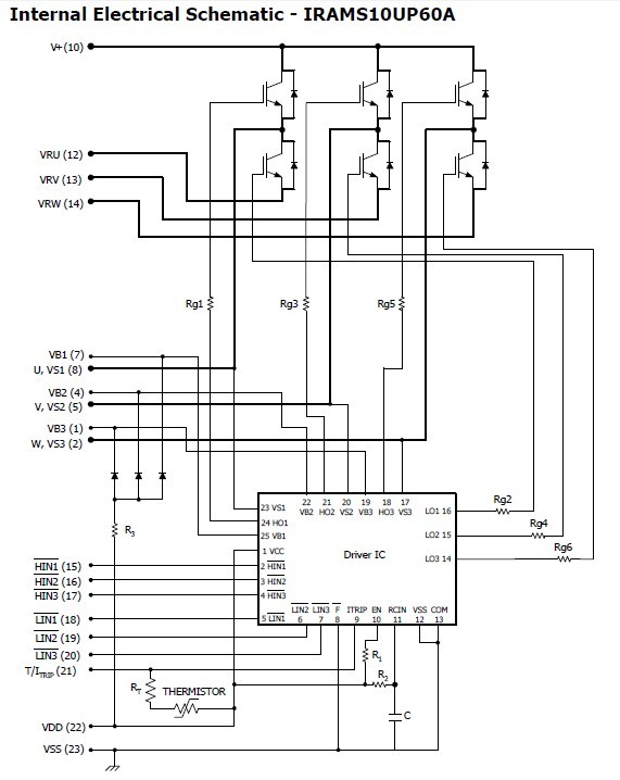
The IRAMS10UP60A is an Integrated Power Module developed and optimized for electronic motor control. It is used in appliance applications such as washing machines and refrigerators. Plug N Drive technology offers an extremely compact, high performance AC motor-driver in a single isolated package for a very simple design. It is fully isolated package.
Parametrics
IRAMS10UP60A absolute maximum ratings: (1)VCES, Maximum IGBT Blocking Voltage: max=600V; (2)V+, Positive Bus Input Voltage: max=450V; (3)IO @ TC= 25℃, RMS Phase Current: max=10A; (4)IO @TC =100℃, RMS Phase Current:max= 5A; (5)Ipk, Maximum Peak Phase Current (tp<100ms): max=15A; (6)Fp, Maximum PWM Carrier Frequency: max=20kHz; (7)Pd, Maximum Power dissipation per Phase: max=20W; (8)Viso, Isolation Voltage (1min): max=2000VRMS; (9)TJ (IGBT & Diodes), Operating Junction temperature Range: max=-40 to +150℃; (10)TJ (Driver IC), Operating Junction temperature Range: max=-40 to +150℃; (11)T, Mounting torque Range (M3 screw): max=0.8 to 1.0Nm.
Features
IRAMS10UP60A features: (1)Integrated Gate Drivers and Bootstrap Diodes; (2)Temperature Monitor; (3)Temperature and Overcurrent shutdown; (4)Fully Isolated Package; (5)Low VCE (on) Non Punch Through IGBT Technology; (6)Under-voltage lockout for all channels; (7)Matched propagation delay for all channels; (8)Low side IGBT emitter pins for current conrol; (9)Schmitt-triggered input logic; (10)Cross-conduction prevention logic; (11)Lower di/dt gate driver for better noise immunity.
Diagrams

| Image | Part No | Mfg | Description | ![]() |
Pricing (USD) |
Quantity | ||||||||||||
|---|---|---|---|---|---|---|---|---|---|---|---|---|---|---|---|---|---|---|
![]() |
![]() IRAMS10UP60A |
![]() International Rectifier |
![]() Motor / Motion / Ignition Controllers & Drivers |
![]() Data Sheet |
![]()
|
|
||||||||||||
![]() |
![]() IRAMS10UP60A-2 |
![]() International Rectifier |
![]() Motor / Motion / Ignition Controllers & Drivers |
![]() Data Sheet |
![]()
|
|
||||||||||||
(China (Mainland))









