Product Summary
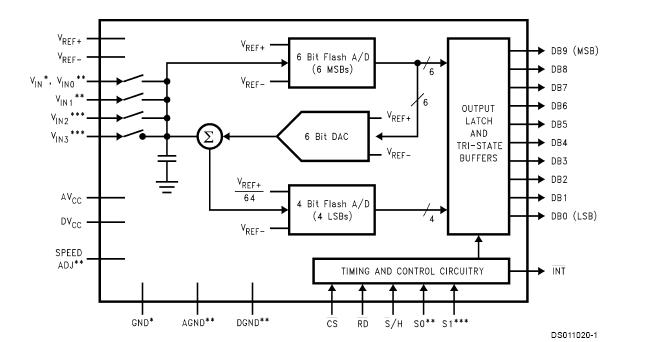
The ADC10061CIWM is a 10-Bit 600 ns A/D Converter with Input Multiplexer and Sample/Hold. Using an innovative, patented multistep conversion technique, the ADC10061CIWM offers sub-microsecond conversion times yet dissipate a maximum of only 235mW. The ADC10061CIWM performs a 10-bit conversion in two lower-resolution “flashes”, thus yielding a fast A/D without the cost, power dissipation, and other problems associated with true flash approaches. The applications of the ADC10061CIWM include Digital signal processor front ends, Instrumentation, Disk drives, Mobile telecommunications.
Parametrics
ADC10061CIWM absolute maximum ratings: (1)Supply Voltage (V+ = AVCC = DVCC): -0.3V to +6V; (2)Voltage at Any Input or Output: -0.3V to V+ + 0.3V; (3)Input Current at Any Pin: 5mA; (4)Package Input Current: 20mA; (5)Power Dissipation: 875mW; (6)ESD Susceptability: 2000V; (7)Soldering Information; (8)Vapor Phase(60 Sec): 215℃; (9)Infrared (15 Sec): 220℃; (10)Storage Temperature Range: -65℃ to +150℃; (11)Junction Temperature: -150℃.
Features
ADC10061CIWM features: (1)Built-in sample-and-hold; (2)Single +5V supply; (3)1, 2, or 4-input multiplexer options; (4)No external clock required; (5)Speed adjust pin for faster conversions (ADC10062 and ADC10064). See ADC10662/4 for high speed guaranteed performance.
Diagrams

| Image | Part No | Mfg | Description | ![]() |
Pricing (USD) |
Quantity | ||||
|---|---|---|---|---|---|---|---|---|---|---|
![]() |
![]() ADC10061CIWM/NOPB |
![]() |
![]() IC ADC 10BIT W/MUX 20-SOIC |
![]() Data Sheet |
![]() Negotiable |
|
||||
![]() |
![]() ADC10061CIWMX |
![]() |
![]() IC ADC 10BIT W/MUX 20-SOIC |
![]() Data Sheet |
![]() Negotiable |
|
||||
(China (Mainland))









