Product Summary
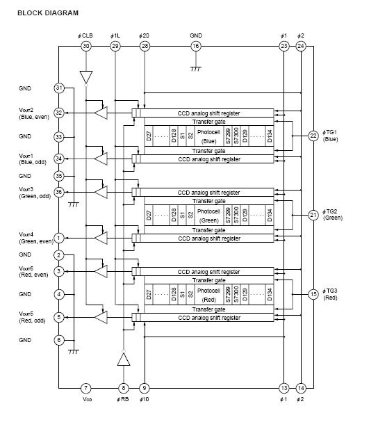
The UPD3728D is a high-speed and high sensitive color CCD (Charge Coupled Device) linear image sensor which changes optical images to electrical signal and has the function of color separation. The UPD3728D has 3 rows of 7300 pixels, and it is a 2-output/color type CCD sensor with 2 rows/color of charge transfer register, which transfers the photo signal electrons of 7300 pixels separately in odd and even pixels. Therefore, the UPD3728D is suitable for 600 dpi/A3 high-speed color digital copiers and so on.
Parametrics
UPD3728D absolute maximum ratings: (1)Output drain voltage VOD:–0.3 to +15V; (2)Shift register clock voltage Vf1, Vf1L, Vf10, Vf2, Vf20: –0.3 to +15V; (3)Reset gate clock voltage VfRB: –0.3 to +15V; (4)Reset feed-through level clamp clock voltage VfCLB:–0.3 to+15V; (5)Transfer gate clock voltage VfTG1 to VfTG3: –0.3 to +15V; (6)Operating ambient temperature TA:–25 to +60℃; (7)Storage temperature Tstg:–40 to +100℃.
Features
UPD3728D features: (1)Valid photocell : 7300 pixels×3; (2)Photocell’s pitch : 10μm; (3)Line spacing : 40μm (4 lines) Red line-Green line, Green line-Blue line; (4)Color filter : Primary colors (red, green and blue), pigment filter; (5)Resolution : 24 dot/mm (600 dpi) A3 (297×420 mm) size (shorter side); (6)Drive clock level : CMOS output under 5 V operation; (7)Data rate : 40 MHz MAX. (20 MHz/1 output); (8)Output type : 2 outputs in phase/color; (9)Power supply : +12 V; (10)On-chip circuits : Reset feed-through level clamp circuits Voltage amplifiers.
Diagrams

![]() |
![]() UPD3794CY |
![]() Other |
![]() |
![]() Data Sheet |
![]() Negotiable |
|
||||
![]() |
![]() UPD3734ACY |
![]() Other |
![]() |
![]() Data Sheet |
![]() Negotiable |
|
||||
![]() |
![]() UPD3729D |
![]() Other |
![]() |
![]() Data Sheet |
![]() Negotiable |
|
||||
(China (Mainland))








