Product Summary
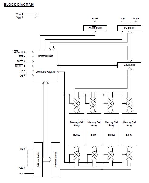
The TC58FVM5B2ATG65 is a 33554432-bit, 3.0-V read-only electrically erasable and programmable flash memory organized as 4194304 words × 8 bits or as 2097152 words × 16 bits. The TC58FVM5B2ATG65 features commands for Read, Program and Erase operations to allow easy interfacing with microprocessors. The commands are based on the JEDEC standard. The Program and Erase operations are automatically executed in the chip. The TC58FVM5B2ATG65 also features a Simultaneous Read/Write operation so that data can be read during a Write or Erase operation.
Parametrics
TC58FVM5B2ATG65 absolute maximum ratings: (1)VDD VDD Supply Voltage: -0.6~4.6 V; (2)VIN Input Voltage: -0.6~VDD + 0.5 (≤ 4.6) V; (3)VDQ Input/Output Voltage: -0.6~VDD + 0.5 (≤ 4.6) V; (4)VIDH Maximum Input Voltage for A9, OE and RESET: 13.0 V; (5)VACCH Maximum Input Voltage for WP/ACC: 10.5 V; (6)PD Power Dissipation: 600 mW; (7)Tsolder Soldering Temperature (10s): 260℃; (8)Tstg Storage Temperature: -55~150℃; (9)Topr Operating Temperature: -40~85℃; (10)IOSHORT Output Short-Circuit Current: 100 mA.
Features
TC58FVM5B2ATG65 features: (1)Power supply voltage, VDD = 2.3 V~3.6 V; (2)Operating temperature, Ta = -40℃~85℃; (3)Organization 4M ×8 bits/2M ×16 bits; (4)Block erase architecture, 8 ×8 Kbytes/63 ×64 Kbytes; (5)Boot block architecture, TC58FVM5B2A/3A: bottom boot block; (6)Mode control, Compatible with JEDEC standard commands; (7)Erase/Program cycles, 105 cycles typ.
Diagrams

| Image | Part No | Mfg | Description | ![]() |
Pricing (USD) |
Quantity | ||||||||
|---|---|---|---|---|---|---|---|---|---|---|---|---|---|---|
![]() |
![]() TC58FVM5B2ATG65CAH |
![]() |
![]() IC FLASH 32MBIT 65NS 48TSOP |
![]() Data Sheet |
![]() Negotiable |
|
||||||||
| Image | Part No | Mfg | Description | ![]() |
Pricing (USD) |
Quantity | ||||||||
![]() |
![]() TC58 |
![]() Cornell Dubilier |
![]() Aluminum Electrolytic Capacitors - Leaded 250V 40uF ELEC AXIAL |
![]() Data Sheet |
![]()
|
|
||||||||
![]() |
![]() TC581282A |
![]() Other |
![]() |
![]() Data Sheet |
![]() Negotiable |
|
||||||||
![]() |
![]() TC581282AXB |
![]() Other |
![]() |
![]() Data Sheet |
![]() Negotiable |
|
||||||||
![]() |
![]() TC58128A |
![]() Other |
![]() |
![]() Data Sheet |
![]() Negotiable |
|
||||||||
![]() |
![]() TC58128AFTI |
![]() |
![]() IC FLASH 128MBIT 50NS 48TSOP |
![]() Data Sheet |
![]() Negotiable |
|
||||||||
![]() |
![]() TC5816BFT |
![]() Other |
![]() |
![]() Data Sheet |
![]() Negotiable |
|
||||||||
(China (Mainland))










