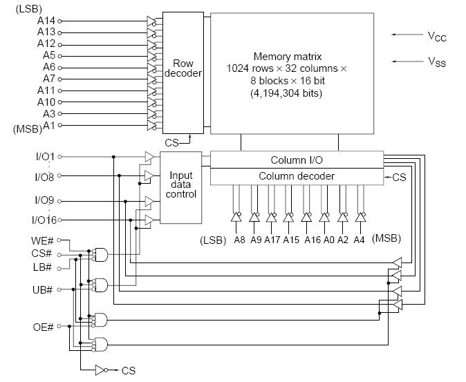
Product Summary
The R1RW0416DSB-2LR is a 4-Mbit high speed static RAM organized 256-kword × 16-bit. It has realized high speed access time by employing CMOS process (6-transistor memory cell) and high speed circuit designing technology. The R1RW0416DSB-2LR is most appropriate for the application which requires high speed, high density memory and wide bit width configuration, such as cache and buffer memory in system. The R1RW0416DSB-2LR is packaged in 400-mil 44-pin SOJ and 400-mil 44-pin plastic TSOPII for high density surface mounting.
Parametrics
R1RW0416DSB-2LR absolute maximum ratings: (1)Supply voltage relative to VSS VCC: -0.5 to +4.6V; (2)Voltage on any pin relative to VSS VT: -0.5 to VCC + 0.5V; (3)Power dissipation PT: 1.0W; (4)Operating temperature Topr: 0 to +70℃; (5)Storage temperature Tstg: -55 to +125℃; (6)Storage temperature under bias Tbias: -10 to +85℃.
Features
R1RW0416DSB-2LR features: (1)Single 3.3 V supply: 3.3V ±0.3V; (2)Access time: 12ns (max); (3)Completely static memory: No clock or timing strobe required; (4)Equal access and cycle times; (5)Directly TTL compatible: All inputs and outputs; (6)Operating current: 130mA (max); (7)TTL standby current: 40mA (max); (8)CMOS standby current : 5mA (max) : 0.8mA (max) (L-version); (9)Data retention current: 0.4mA (max) (L-version); (10)Data retention voltage: 2.0V (min) (L-version); (11)Center VCC and VSS type pin out.
Diagrams

(China (Mainland))






