Product Summary
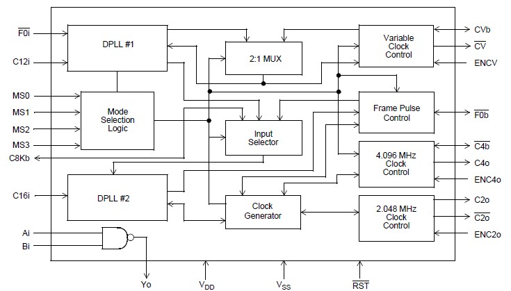
The MT8941BE is an Advanced T1/CEPT Digital Trunk PLL. It provides the timing and synchronization signals for the T1 or CEPT transmission links and the ST-BUS. The first PLL of the MT8941BE provides the T1 clock (1.544 MHz) synchronized to the input frame pulse at 8 kHz. The timing signals for the CEPT transmission link and the ST-BUS are provided by the second PLL locked to an internal or an external 8 kHz frame pulse signal. The applications of the MT8941BE include: Synchronization and timing control for T1 and CEPT digital trunk transmission links, ST- BUS clock and frame pulse source.
Parametrics
MT8941BE absolute maximum ratings: (1)Supply Voltage VDD: -0.3 to 7.0 V; (2)Voltage on any pin VI: VSS-0.3 to VDD+0.3 V; (3)Input/Output Diode Current IIK/OK: ±10 mA; (4)Output Source or Sink Current IO: ±25 mA; (5)DC Supply or Ground Current IDD/ISS: ±50 mA; (6)Storage Temperature TST: -55 to 125 ℃; (7)Package Power Dissipation - Plastic DIP PD: 1200mW; PLCC PD: 600 mW.
Features
MT8941BE features: (1)Provides T1 clock at 1.544 MHz locked to an 8kHz reference clock (frame pulse); (2)Provides CEPT clock at 2.048 MHz and ST-BUS clock and timing signals locked to an internal or external 8 kHz reference clock; (3)Typical inherent output jitter (unfiltered)= 0.07 UI peak-to-peak; (4)Typical jitter attenuation at: 10 Hz=23 dB,100Hz=43 dB, 5 to 40 kHz ≥ 64 dB; (5)Jitter-free FREE-RUN mode; (6)Uncommitted two-input NAND gate; (7)Low power CMOS technology.
Diagrams

 (China (Mainland))
 (China (Mainland)) 
                         
                        
 
                                    




