Product Summary
The LM325H is a dual polarity tracking regulator designed to provide balanced positive and negative output voltages at current up to 100 mA, and is set for ±15V outputs. Input voltages up to ±30V can be used and there is provision for adjustable current limiting. The LM325H is available in two package types to accommodate various power requirements and temperature ranges.
Parametrics
LM325H absolute maximum ratings: (1)Input Voltage: ±30V; (2)Forced VO+(Min):-0.5V; (3)Forced VO-(Max):+0.5V; (4)Power Dissipation: PMAX; (5)Output Short-Circuit Duration: Continuous.
Features
LM325H features: (1)±15V tracking outputs; (2)Output current to 100 mA; (3)Output voltage balanced to within 2%; (4)Line and load regulation of 0.06%; (5)Internal thermal overload protection; (6)Standby current drain of 3 mA; (7)Externally adjustable current limit; (8)Internal current limit.
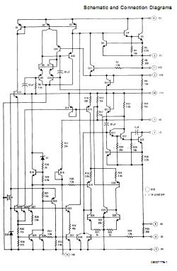
Diagrams

| Image | Part No | Mfg | Description | ![]() |
Pricing (USD) |
Quantity | ||||||||||||
|---|---|---|---|---|---|---|---|---|---|---|---|---|---|---|---|---|---|---|
![]() |
![]() LM325H |
![]() National Semiconductor |
![]() IC REG POS/NEG 15V TO-100 |
![]() Data Sheet |
![]() Negotiable |
|
||||||||||||
| Image | Part No | Mfg | Description | ![]() |
Pricing (USD) |
Quantity | ||||||||||||
![]() |
![]() LM32 |
![]() Other |
![]() |
![]() Data Sheet |
![]() Negotiable |
|
||||||||||||
![]() |
![]() LM320 |
![]() Other |
![]() |
![]() Data Sheet |
![]() Negotiable |
|
||||||||||||
![]() |
![]() LM3200 |
![]() Other |
![]() |
![]() Data Sheet |
![]() Negotiable |
|
||||||||||||
![]() |
![]() LM3200TL/NOPB |
![]() National Semiconductor (TI) |
![]() DC/DC Switching Controllers |
![]() Data Sheet |
![]()
|
|
||||||||||||
![]() |
![]() LM3200TLEV |
![]() National Semiconductor (TI) |
![]() Power Management IC Development Tools LM3200 EVAL BOARD |
![]() Data Sheet |
![]()
|
|
||||||||||||
![]() |
![]() LM3200TLX/NOPB |
![]() National Semiconductor (TI) |
![]() DC/DC Switching Controllers |
![]() Data Sheet |
![]()
|
|
||||||||||||
(China (Mainland))










