Product Summary
The LM12CLK is a power op amp capable of driving ±25V at ±10A while operating from ±30V supplies. The LM12CLK can deliver 80W of sine wave power into a 4Ω load with 0.01% distortion. Power bandwidth is 60 kHz. Further, a peak dissipation capability of 800W allows it to handle reactive loads such as transducers, actuators or small motors without derating. The LM12CLK delivers ±10A output current at any output voltage yet is completely protected against overloads, including shorts to the supplies.
Parametrics
LM12CLK absolute maximum ratings: (1)Total Supply Voltage: 80V; (2)Output Current:Internally Limited; (3)Storage Temperature Range:-65℃ to 150℃; (4)Lead Temperature(Soldering, 10 seconds):300℃.
Features
LM12CLK features: (1)input protection; (2)controlled turn on; (3)thermal limiting; (4)overvoltage shutdown; (5)output-current limiting; (6)dynamic safe-area protection.
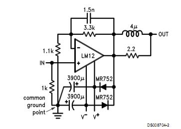
Diagrams

| Image | Part No | Mfg | Description | ![]() |
Pricing (USD) |
Quantity | ||||
|---|---|---|---|---|---|---|---|---|---|---|
![]() |
![]() LM12CLK |
![]() Other |
![]() |
![]() Data Sheet |
![]() Negotiable |
|
||||
![]() |
![]() LM12CLK/NOPB |
![]() |
![]() IC OP AMP 80W POWER TO-3 |
![]() Data Sheet |
![]() Negotiable |
|
||||
(China (Mainland))










