Product Summary
The EPCS16SI16N is a serial configuration device.
Parametrics
EPCS16SI16N absolute maximum ratings: (1)VCC, Supply voltage: -0.6 to 4.0 V; (2)VI, DC input voltage: -0.6 to 4.0 V; (3)DC input voltage: -0.5 4.0 V; (4)IMAX, DC VCC or GND current: 15 mA; (5)IOUT, DC output current per pin: -25 to 25 mA; (6)P,D Power dissipation: 54 mW; (7)TSTG, Storage temperature No bias: -65 to 150℃; (8)TAMB, Ambient temperature Under bias: -65 to 135℃; (9)TJ, Junction temperature Under bias: 135℃.
Features
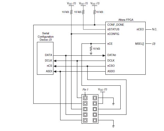
EPCS16SI16N features: (1)1-, 4-, 16-, 64-, and 128-Mbit flash memory devices that serially configure ArriaR series, CycloneR series, all device families in the StratixR series except the Stratix device family, and FPGAs using the active serial (AS) configuration scheme; (2)Easy-to-use four-pin interface; (3)Low cost, low-pin count, and non-volatile memory; (4)Low current during configuration and near-zero standby mode current; (5)2.7-V to 3.6-V operation; (6)available in 8-pin small outline integrated circuit (SOIC) package; (7)Enables the NiosR processor to access unused flash memory through AS memory interface; (8)Re-programmable memory with more than 100,000 erase/program cycles; (9)Write protection support for memory sectors using status register bits; (10)In-system programming support with SRunner software driver; (11)In-system programming support with USB Blaster.,EthernetBlaster, or ByteBlaster. II download cables; (12)Additional programming support with the AlteraR Programming Unit (APU) and programming hardware from BP Microsystems, System General, and other vendors; (13)Delivered with the memory array erased.
Diagrams

| Image | Part No | Mfg | Description | ![]() |
Pricing (USD) |
Quantity | ||||||
|---|---|---|---|---|---|---|---|---|---|---|---|---|
![]() |
![]() EPCS16SI16N |
![]() Altera |
![]() IC CONFIG DEVICE 16MBIT 16-SOIC |
![]() Data Sheet |
![]()
|
|
||||||
| Image | Part No | Mfg | Description | ![]() |
Pricing (USD) |
Quantity | ||||||
![]() |
![]() EPCS1 |
![]() Other |
![]() |
![]() Data Sheet |
![]() Negotiable |
|
||||||
![]() |
![]() EPCS16SI16N |
![]() Altera |
![]() IC CONFIG DEVICE 16MBIT 16-SOIC |
![]() Data Sheet |
![]()
|
|
||||||
![]() |
![]() EPCS16SI8N |
![]() Altera |
![]() IC CONFIG DEVICE 16MBIT 8-SOIC |
![]() Data Sheet |
![]()
|
|
||||||
![]() |
![]() EPCS1SI8 |
![]() Altera |
![]() IC CONFIG DEVICE 1MBIT 8-SOIC |
![]() Data Sheet |
![]()
|
|
||||||
![]() |
![]() EPCS1SI8N |
![]() Altera |
![]() IC CONFIG DEVICE 1MBIT 8-SOIC |
![]() Data Sheet |
![]()
|
|
||||||
![]() |
![]() EPCS4 |
![]() Other |
![]() |
![]() Data Sheet |
![]() Negotiable |
|
||||||
(China (Mainland))











