Product Summary
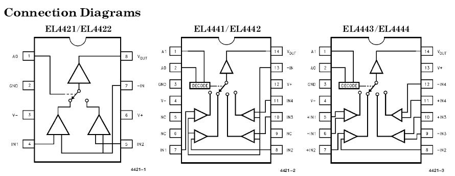
The EL4441CS is a video multiplexed-amplifier. It offers a very quick 8 ns switching time and low glitch along with very low video distortion. The EL4441CS has good gain accuracy even when driving low-impedance loads. To save power, the amplifiers do not require heavy loading to remain stable. The EL4441CS is a two-input multiplexed amplifier. The inputs of the input stages are wired together and the device can be used as a pin-compatible upgrade from the MAX453.
Parametrics
EL4441CS absolute maximum ratings: (1)V+ Positive Supply Voltage: 16.5V; (2)VS V+ to V- Supply Voltage: 33V; (3)VIN Voltage at any Input or Feedback: V+ to V-; (4)DVIN Difference between Pairs of Inputs or Feedback: 6V; (5)VLOGIC Voltage at A0 or A1: -4V to 6V; (6)IIN Current into any Input, Feedback, or Logic Pin: 4mA; (7)IOUT Output Current: 30mA; (8)PD Maximum Power Dissipation: See Curves.
Features
EL4441CS features: (1)Unity or a 2-gain bandwidth of 80 MHz; (2)70 dB off-channel isolation at 4 MHz; (3)Directly drives high-impedance or 75Ω loads; (4)0.02% and 0.02° differential gain and phase errors; (5)8 ns switching time; (6)<100 mV switching glitch; (7)0.2% loaded gain error; (8)Compatible with ±3V to ±15V supplies; (9)160mW maximum dissipation at ±5V supplies.
Diagrams

![]() |
![]() EL4421C |
![]() Other |
![]() |
![]() Data Sheet |
![]() Negotiable |
|
||||
![]() |
![]() EL4422C |
![]() Other |
![]() |
![]() Data Sheet |
![]() Negotiable |
|
||||
![]() |
![]() EL4430C |
![]() Other |
![]() |
![]() Data Sheet |
![]() Negotiable |
|
||||
![]() |
![]() EL4430CS |
![]() Other |
![]() |
![]() Data Sheet |
![]() Negotiable |
|
||||
![]() |
![]() EL4431C |
![]() Other |
![]() |
![]() Data Sheet |
![]() Negotiable |
|
||||
![]() |
![]() EL4441C |
![]() Other |
![]() |
![]() Data Sheet |
![]() Negotiable |
|
||||
(China (Mainland))








