Product Summary
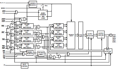
The CY7C1380F-167BZI is a 18-Mbit Pipelined SRAM. The CY7C1380F-167BZI integrates 524,288 x 36 and 1,048,576 x 18 SRAM cells with advanced synchronous peripheral circuitry and a two-bit counter for internal burst operation. All synchronous inputs are gated by registers controlled by a positive-edge-triggered Clock Input (CLK). The CY7C1380F-167BZI inputs include all addresses, all data inputs, address-pipelining Chip Enable (CE1), depth-expansion Chip Enables (CE2 and CE3 [2]), Burst Control inputs (ADSC, ADSP, and ADV), Write Enables (BWX, and BWE), and Global Write (GW). Asynchronous inputs include the Output Enable (OE) and the ZZ pin.
Parametrics
CY7C1380F-167BZI absolute maximum ratings: (1)Storage Temperature: –65℃ to +150℃; (2)Ambient Temperature with Power Applied: –55℃ to +125℃; (3)Supply Voltage on VDD Relative to GND: –0.3V to +4.6V; (4)DC Voltage Applied to Outputs in Tri-State: –0.5V to VDDQ + 0.5V; (5)DC Input Voltage: –0.5V to VDD + 0.5V.
Features
CY7C1380F-167BZI features: (1)Supports bus operation up to 250 MHz; (2)Available speed grades are 250, 200 and 167 MHz; (3)Registered inputs and outputs for pipelined operation; (4)3.3V core power supply; (5)2.5V / 3.3V I/O operation; (6)Fast clock-to-output times; (7)Provide high-performance 3-1-1-1 access rate; (8)User-selectable burst counter supporting Intel Pentium interleaved or linear burst sequences; (9)Separate processor and controller address strobes; (10)Synchronous self-timed writes; (11)Asynchronous output enable; (12)Single Cycle Chip Deselect; (13)Offered in JEDEC-standard lead-free 100-pin TQFP, 119-ball BGA and 165-Ball fBGA packages.
Diagrams

| Image | Part No | Mfg | Description | ![]() |
Pricing (USD) |
Quantity | ||||||||||||
|---|---|---|---|---|---|---|---|---|---|---|---|---|---|---|---|---|---|---|
![]() |
![]() CY7C1380F-167BZI |
![]() Cypress Semiconductor |
![]() SRAM 18-Mbit SRAM (512K x 36/1M x 18) |
![]() Data Sheet |
![]()
|
|
||||||||||||
![]() |
![]() CY7C1380F-167BZIT |
![]() Cypress Semiconductor |
![]() SRAM 18-Mbit SRAM (512K x 36/1M x 18) |
![]() Data Sheet |
![]()
|
|
||||||||||||
(China (Mainland))









