Product Summary
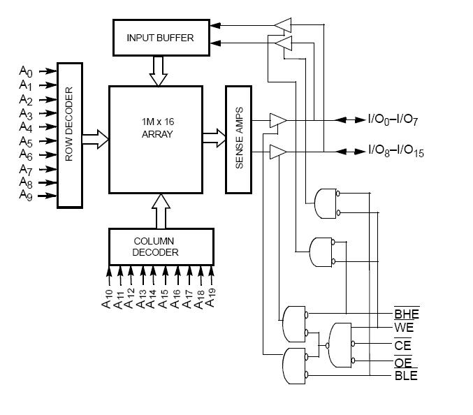
The CY7C1061BV33-12ZI is a high-performance CMOS Static RAM organized as 1,048,576 words by 16 bits. Writing to the CY7C1061BV33-12ZI is accomplished by enabling the chip (CE LOW) while forcing the Write Enable (WE) input LOW. If Byte Low Enable (BLE) is LOW, then data from I/O pins (I/O0 through I/O7), is written into the location specified on the address pins (A0 through A19). If Byte High Enable (BHE) is LOW, then data from I/O pins (I/O8 through I/O15) is written into the location specified on the address pins (A0 through A19). The CY7C1061BV33-12ZI is available in a 54-pin TSOP II package with center power and ground (revolutionary) pinout.
Parametrics
CY7C1061BV33-12ZI absolute maximum ratings: (1)Storage Temperature:–65℃ to +150℃; (2)Ambient Temperature with Power Applied: –55℃ to +125℃; (3)Supply Voltage on VCC to Relative GND[3]–0.5V to +4.6VDC; (4)Voltage Applied to Outputs in High-Z State:–0.5V to VCC + 0.5V; (5)DC Input Voltage:–0.5V to VCC + 0.5V; (6)Current into Outputs (LOW): 20mA.
Features
CY7C1061BV33-12ZI features: (1)High speed tAA = 10ns; (2)Low active power 990mW (max.); (3)Operating voltages of 3.3±0.3V; (4)2.0V data retention; (5)Automatic power-down when deselected; (6)TTL-compatible inputs and outputs; (7)Available in Pb-free and non Pb-free 54-pin TSOP II package.
Diagrams

![]() |
![]() CY7C006 |
![]() Other |
![]() |
![]() Data Sheet |
![]() Negotiable |
|
||||||||||||
![]() |
![]() CY7C006A |
![]() Other |
![]() |
![]() Data Sheet |
![]() Negotiable |
|
||||||||||||
![]() |
![]() CY7C006A-15AXC |
![]() Cypress Semiconductor |
![]() SRAM 5V 16Kx8 COM Dual Port SRAM |
![]() Data Sheet |
![]() Negotiable |
|
||||||||||||
![]() |
![]() CY7C006A-15AXCT |
![]() Cypress Semiconductor |
![]() SRAM 5V 16Kx8 COM Dual Port SRAM |
![]() Data Sheet |
![]() Negotiable |
|
||||||||||||
![]() |
![]() CY7C006A-20AC |
![]() |
![]() IC SRAM 16KX8 DUAL 64LQFP |
![]() Data Sheet |
![]() Negotiable |
|
||||||||||||
![]() |
![]() CY7C006A-20AXC |
![]() Cypress Semiconductor |
![]() SRAM 5V 16Kx8 COM Dual Port SRAM |
![]() Data Sheet |
![]()
|
|
||||||||||||
(China (Mainland))










