Product Summary
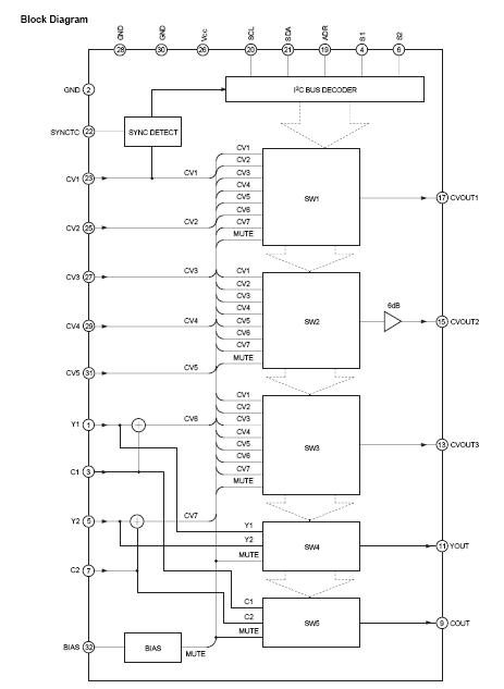
The CXA2040AQ is an I2C bus-compatible 5-input, 3-output video switch for TVs.
Parametrics
CXA2045Q absolute maximum ratings: (1)Supply voltage VCC: 12V; (2)Operating temperature Topr: -20 to +75℃; (3)Storage temperature Tstg: -65 to +150℃; (4)Allowable power dissipation PD: 1.0W (when mounted on a 50mm×50mm board).
Features
CXA2045Q features: (1)Serial data control via I2C bus; (2)5 composite video input systems; (3)2 Y/C (S terminal) input systems; (4)3 composite video output systems; (5)1 Y/C (S terminal) output system; (6)Input can be selected independently for each output system.; (7)SYNC_ID function for CV1 system input; (8)Built-in 6dB amplifier for CVOUT2 system output; (9)Built-in Y/C MIX circuit; (10)Slave address can be changed (90H/92H).; (11)High impedance maintained by I2C bus line (SDA, SCL) even when power is OFF.
Diagrams

![]() |
![]() CXA20 |
![]() Other |
![]() |
![]() Data Sheet |
![]() Negotiable |
|
||||||||||||
![]() |
![]() CXA2000Q |
![]() Other |
![]() |
![]() Data Sheet |
![]() Negotiable |
|
||||||||||||
![]() |
![]() CXA2002R |
![]() Other |
![]() |
![]() Data Sheet |
![]() Negotiable |
|
||||||||||||
![]() |
![]() CXA2006Q |
![]() Other |
![]() |
![]() Data Sheet |
![]() Negotiable |
|
||||||||||||
![]() |
![]() CXA2011-0000-000P00F00E8 |
![]() Cree, Inc. |
![]() High Power LEDs - White White 680lm XLamp CXA LED |
![]() Data Sheet |
![]()
|
|
||||||||||||
![]() |
![]() CXA2011-0000-000P00F027F |
![]() Cree, Inc. |
![]() High Power LEDs - White White 680lm XLamp CXA LED |
![]() Data Sheet |
![]()
|
|
||||||||||||
(China (Mainland))









