Product Summary
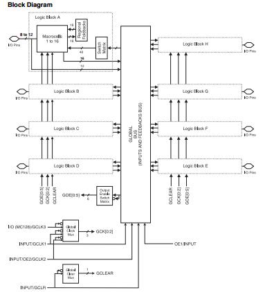
The ATF1508ASL-20JC84 is a high-performance, high-density complex programmable logic device (CPLD) that utilizes Atmel’s proven electrically-erasable technology. With 128 logic macrocells and up to 100 inputs, it easily integrates logic from several TTL, SSI, MSI, LSI and classic PLDs. The ATF1508ASL-20JC84’s enhanced routing switchmatrices increase usable gate count and increase odds of successful pin-locked design modifications. The ATF1508ASL-20JC84 has up to 96 bi-directional I/O pins and four dedicated input pins, depending on the type of device package selected. Each dedicated pin can also serve as a global control signal, register clock, register reset or output enable.
Parametrics
ATF1508ASL-20JC84 absolute maximum ratings: (1)Temperature Under Bias: -40℃ to +85℃; (2)Storage Temperature: -65℃ to +150℃; (3)Voltage on Any Pin with Respect to Ground: -2.0V to +7.0V; (4)Voltage on Input Pins with Respect to Ground During ProgrammingL: -2.0V to +14.0V; (5)Programming Voltage with Respect to Ground: -2.0V to +14.0V.
Features
ATF1508ASL-20JC84 features: (1)High-density, High-performance, Electrically-erasable Complex; (2)Programmable Logic Device, 128 Macrocells; 5 Product Terms per Macrocell, Expandable up to 40 per Macrocell; 84, 100, 160 Pins; 7.5 ns Maximum Pin-to-pin Delay; Registered Operation up to 125 MHz; Enhanced Routing Resources; (3)Flexible Logic Macrocell, D/T/Latch Configured Flip-flops; Global and Individual Register Control Signals; Global and Individual Output Enable; Programmable Output Slew Rate; Programmable Output Open Collector Option; Maximum Logic Utilization by Burying a Register within a COM Output; (4)Advanced Power Management Features, Automatic 10 μA Standby for “L” Version; Pin-controlled 1 mA Standby Mode; Programmable Pin-keeper Inputs and I/Os; Reduced-power Feature per Macrocell; (5)Available in Commercial and Industrial Temperature Ranges; (6)Available in 84-lead PLCC, 100-lead PQFP, 100-lead TQFP and 160-lead PQFP Packages; (7)Advanced EE Technology, 100% Tested; Completely Reprogrammable; 10,000 Program/Erase Cycles; 20-year Data Retention; 2000V ESD Protection; 200 mA Latch-up Immunity; (8)JTAG Boundary-scan Testing to IEEE Std. 1149.1-1990 and 1149.1a-1993 Supported; (9)Fast In-System Programmability (ISP) via JTAG; (10)PCI-compliant; (11)3.3 or 5.0V I/O Pins; (12)Security Fuse Feature; (13)Green (Pb/Halide-free/RoHS Compliant) Package Options.
Diagrams

| Image | Part No | Mfg | Description | ![]() |
Pricing (USD) |
Quantity | ||||||
|---|---|---|---|---|---|---|---|---|---|---|---|---|
![]() |
![]() ATF1508ASL-20JC84 |
![]() Atmel |
![]() CPLD - Complex Programmable Logic Devices CPLD 128 MACROCELL w/ISP LOW PWR 5V |
![]() Data Sheet |
![]() Negotiable |
|
||||||
| Image | Part No | Mfg | Description | ![]() |
Pricing (USD) |
Quantity | ||||||
![]() |
![]() ATF1040 |
![]() Other |
![]() |
![]() Data Sheet |
![]() Negotiable |
|
||||||
![]() |
![]() ATF1047 |
![]() Other |
![]() |
![]() Data Sheet |
![]() Negotiable |
|
||||||
![]() |
![]() ATF1500A |
![]() Other |
![]() |
![]() Data Sheet |
![]() Negotiable |
|
||||||
![]() |
![]() ATF1500A-10AC |
![]() Atmel |
![]() CPLD - Complex Programmable Logic Devices CPLD 32 MACROCELL CMPTBLE w/F1500 |
![]() Data Sheet |
![]() Negotiable |
|
||||||
![]() |
![]() ATF1500A-10AI |
![]() Atmel |
![]() CPLD - Complex Programmable Logic Devices 1500 Gate |
![]() Data Sheet |
![]() Negotiable |
|
||||||
![]() |
![]() ATF1500A-10AU |
![]() Atmel |
![]() CPLD - Complex Programmable Logic Devices CPLD 32 MACROCELL 5V 10NS IND TEMP |
![]() Data Sheet |
![]()
|
|
||||||
(China (Mainland))











