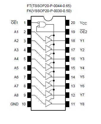
Product Summary
The TC74VCX541FK is a high performance CMOS octal bus buffer which is guaranteed to operate from 1.2-V to 3.6-V. Designed for use in 1.5V, 1.8 V, 2.5 V or 3.3 V systems, it achieves high speed operation while maintaing the CMOS low power dissipation. It is also designed with over voltage tolerant inputs and outputs up to 3.6 V. The TC74VCX541FK is a non-inverting 3-state buffer having two active-low output enables. When either OE1 or OE2 are high, the terminal outputs are in the high-impedance state. This device is designed to be used with 3-state memory address drivers, etc.
Parametrics
TC74VCX541FK absolute maximum ratings: (1)Power supply voltage, VCC: -0.5~4.6 V; (2)DC input voltage, VIN: -0.5~4.6 V; -0.5~4.6 (Note 2); (3)DC output voltage, VOUT: -0.5~VCC + 0.5(Note 3)V; (4)Input diode current, IIK: .50 mA; (5)Output diode current, IOK: ±50 (Note 4) mA; (6)DC output current, IOUT: ±50 mA; (7)Power dissipation, PD: 180 mW; (8)DC VCC/ground current, ICC/IGND: ±100 mA; (9)Storage temperature, Tstg: -65~150℃.
Features
TC74VCX541FK features: (1)Low voltage operation: VCC = 1.2~3.6 V; (2)High speed operation: tpd = 3.5 ns (max) (VCC = 3.0~3.6 V); (3)tpd = 4.2 ns (max) (VCC = 2.3~2.7 V); tpd = 8.4 ns (max) (VCC = 1.65~1.95 V); tpd = 16.8 ns (max) (VCC = 1.4~1.6 V); tpd = 42.0 ns (max) (VCC = 1.2 V); (4)3.6 V tolerant inputs and outputs.; (5)Output current: IOH/IOL = ±24 mA (min) (VCC = 3.0 V); IOH/IOL = ±18 mA (min) (VCC = 2.3 V); IOH/IOL = ±6 mA (min) (VCC = 1.65 V); IOH/IOL = ±2 mA (min) (VCC = 1.4 V); (6)Latch-up performance: -300 mA; (7)ESD performance: Machine model ≥ ±200 V; Human body model ≥ ±2000 V; (8)Package: TSSOP; VSSOP (US); VQON; (9)Power down protection is provided on all inputs and outputs.
Diagrams

(China (Mainland))






