Product Summary
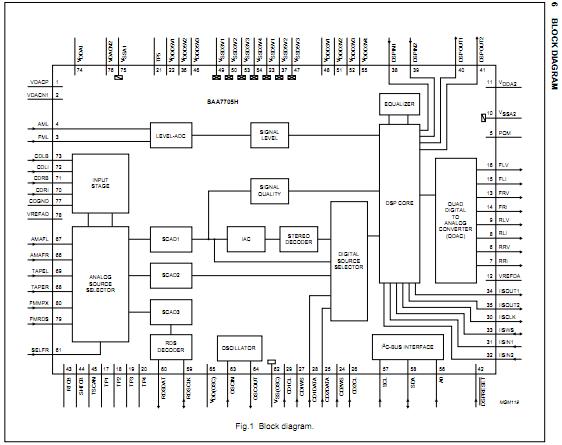
The SAA7705H/303 is a Car radio Digital Signal Processor. The SAA7705H/303 performs all the signal functions in front of the power amplifiers and behind the AM and FM multiplex demodulation of a car radio or the tape input.
Parametrics
SAA7705H/303 absolute maximum ratings: (1)VDDD3V, supply voltage: -0.5 to +5 V; (2)VDDD5V, supply voltage: -0.5 to +6.5 V; (3)△VDDD3Vx, voltage difference between any two VDDD3Vx pins: 550 mV; (4)△VDDD5Vx, voltage difference between any two VDDD5Vx pins: 550 mV; (5)IIK, DC input clamping diode current: ±10 mA; (6)IOK, DC output clamping diode current: ±20 mA; (7)IO(sink/source), DC output sink or source current: ±20 mA; (8)IDD, DC supply current per pin: ±750 mA; (9)ISS, DC ground supply current per pin: ±750 mA; (10)Tamb, ambient temperature: -40 to +85℃; (11)Tstg, storage temperature: -65 to +150℃; (12)VESD, ESD voltage: 3000 V; (13)Ilu(prot), latch-up protection current: 100 mA; (14)P/out, power dissipation per output: 100 mW; (15)Ptot, total power dissipation: 1600 mW.
Features
SAA7705H/303 features: (1)Three 3rd-order Switched Capacitor Analog-to-Digital converters (SCADs); (2)Digital-to-Analog Converters (DACs) with four times oversampling and noise shaping; (3)Digital stereo decoder for the FM multiplex signal; (4)Improved digital Interference Absorption Circuit (IAC) for FM; (5)Radio Data System (RDS) processing with an optional 16-bit buffer via a separate channel (two tuners possible); (6)Auxiliary high Common-Mode Rejection Ratio (CMRR) analog CD input (CD-walkman, speech, economic CD-changer, etc.); (7)I2C-bus controlled; (8)Four channel 5-band I2C-bus controlled parametric equalizer; (9)Two separate full I2S-bus and LSB-justified formats high performance input interfaces; (10)Audio output short-circuit protected; (11)Separate AM left and right inputs; (12)Phase-Locked Loop (PLL) to generate the high frequency DSP clock from a common fundamental oscillator crystal; (13)Analog single-ended tape inputs; (14)I2S-bus subwoofer output (mono or stereo); (15)Expandable with additional DSPs for sophisticated features through an I2S-bus gateway.
Diagrams

(China (Mainland))






