Product Summary
The MG100J1BS11 is an N CHANNEL IGBT.
Parametrics
MG100J1BS11 absolute maximum ratings: (1)Collector emitter Voltage: 600V; (2)Gate Emitter Voltage: ±20V; (3)Collector Current, DC IC: 100A; 1ms ICP: 200A; (4)Collector Power dissipation, Pc: 300w; (5)junction Temperature, Tj: 150℃; (6)Storage Temperature range: -40 to 125℃; (7) Isolation Voltage: 2500V; (8) screw torque: 2/3 Nm.
Features
MG100J1BS11 features: (1)High input impedance; (2)high speed: tf=1.0 μs; (3)Low saturation voltage: 2.7V; (4)enhancement mode; (5)The electrodes are Isolated from case.
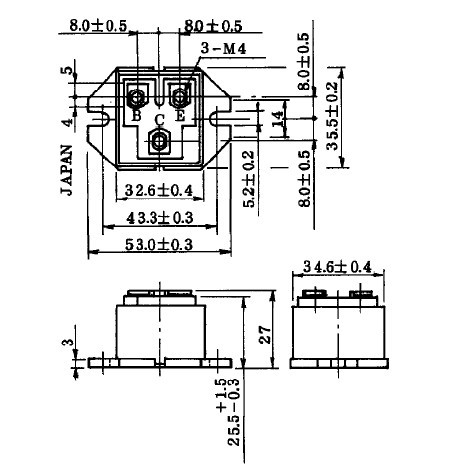
Diagrams

![]() |
![]() MG1000E |
![]() Other |
![]() |
![]() Data Sheet |
![]() Negotiable |
|
||||
![]() |
![]() MG1001 |
![]() Other |
![]() |
![]() Data Sheet |
![]() Negotiable |
|
||||
![]() |
![]() MG1001E |
![]() Other |
![]() |
![]() Data Sheet |
![]() Negotiable |
|
||||
![]() |
![]() MG1002E |
![]() Other |
![]() |
![]() Data Sheet |
![]() Negotiable |
|
||||
![]() |
![]() MG1004 |
![]() Other |
![]() |
![]() Data Sheet |
![]() Negotiable |
|
||||
![]() |
![]() MG1004E |
![]() Other |
![]() |
![]() Data Sheet |
![]() Negotiable |
|
||||
(China (Mainland))








