Product Summary
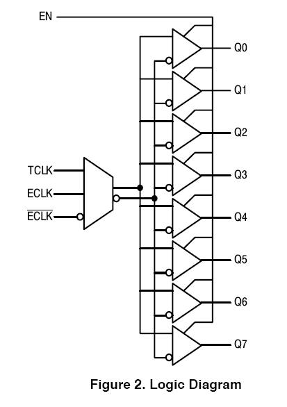
The MC100H646FNG is a single supply, low skew translating 1:8 clock driver. Devices in the ON Semiconductor H646 translator series utilize the 28.lead PLCC for optimal power pinning, signal flow through and electrical performance. The single supply MC100H646FNG is similar to the H643, which is a dual supply 1:8 version of the same function. The MC100H646FNG was designed specifically to drive series terminated transmission lines. Special techniques were used to match the HIGH and LOW output impedances to about 7.0Ω. This simplifies the choice of the termination resistor for series terminated applications. To match the HIGH and LOW output impedances, it was necessary to remove the standard IOS limiting resistor. As a result, the user should take care in preventing an output short to ground as the part will be permanently damaged.
Parametrics
MC100H646FNG absolute maximum ratings: (1)Input HIGH Voltage: 2.0V Min; (2)Input LOW Voltage: 0.8V Max; (3)IIH Input HIGH Current: 20μA @ VIN=2.7V; (4)IIL Input LOW Current: -0.6mA @VIN=0.5V; (5)VOH Output HIGH Voltage: 2.5V @ IOH=-3.0mA; (6)VOL Output LOW Voltage: 0.5V @ IOL=-24mA; (7)VIK Input Clamp Voltage: -1.2V Max @ IIN= -18mA.
Features
MC100H646FNG features: (1)PECL/TTL-TTL Version of Popular ECLinPS E111; (2)Low Skew; (3)Guaranteed Skew Spec; (4)Tri-State Enable; (5)Differential Internal Design; (6)VBB Output; (7)Single Supply; (8)Extra TTL and ECL Power/Ground Pins; (9)Matched High and Low Output Impedance; (10)Meets Specifications Required to Drive Intel Pentium Microprocessors; (11)Pb-Free Packages are Available.
Diagrams

| Image | Part No | Mfg | Description | ![]() |
Pricing (USD) |
Quantity | ||||||||||||
|---|---|---|---|---|---|---|---|---|---|---|---|---|---|---|---|---|---|---|
![]() |
![]() MC100H646FNG |
![]() ON Semiconductor |
![]() Clock Drivers & Distribution 5V PECL to TTL 1:8 Clock Driver |
![]() Data Sheet |
![]()
|
|
||||||||||||
| Image | Part No | Mfg | Description | ![]() |
Pricing (USD) |
Quantity | ||||||||||||
![]() |
![]() MC10 |
![]() Other |
![]() |
![]() Data Sheet |
![]() Negotiable |
|
||||||||||||
![]() |
![]() MC100E016FN |
![]() ON Semiconductor |
![]() Counter Shift Registers 5V ECL 8-Bit Binary |
![]() Data Sheet |
![]() Negotiable |
|
||||||||||||
![]() |
![]() MC100E016FNG |
![]() ON Semiconductor |
![]() Counter Shift Registers 5V ECL 8-Bit Binary Up Synchronous |
![]() Data Sheet |
![]()
|
|
||||||||||||
![]() |
![]() MC100E016FNR2 |
![]() ON Semiconductor |
![]() Counter Shift Registers 5V ECL 8-Bit Binary |
![]() Data Sheet |
![]() Negotiable |
|
||||||||||||
![]() |
![]() MC100E016FNR2G |
![]() ON Semiconductor |
![]() Counter Shift Registers 5V ECL 8-Bit Binary Up Synchronous |
![]() Data Sheet |
![]()
|
|
||||||||||||
![]() |
![]() MC100E101FN |
![]() |
![]() IC GATE OR/NOR QUAD 4INP 28-PLCC |
![]() Data Sheet |
![]() Negotiable |
|
||||||||||||
(China (Mainland))










