Product Summary
The MA4810 is a Power Switching Regulator.
Parametrics
MA4810 absolute maximum ratings: (1)Storage Temperature Tstg: -30 to 125℃; (2)Operating Temperature Top: -20 to 125℃; (3)Junction Temperature Tj: 150℃; (4)Peak Input Voltage Vin: 800V; (5)Input Current Iin: 3A; (6)Maximum Power Dissipation PD: 3W; (7)PD Heatsink: 17W; (8)Dielectric Strength: 2KV; (9)Insulation Resistance: 100MΩ; (10)Max Voltage: 6V; (11)Max Current: 200mA; (12)Reverse Current: Max 20mA.
Features
MA4810 features: (1)Zero Gate Voltage Dreain Current: Max 250μA; (2)Static Drain-Source On-State Resistance: 5.0Ω; (3)Thermal Resistance: 2.9℃/W; (4)Reverse Current: 10μA; (5)Forward Voltage: 1.7V; (6)Fold Back Detection Voltage: 0.7V.
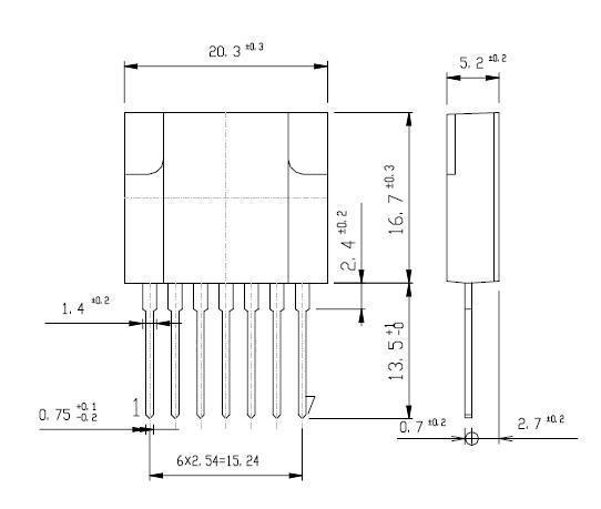
Diagrams

| Image | Part No | Mfg | Description | ![]() |
Pricing (USD) |
Quantity | ||||
|---|---|---|---|---|---|---|---|---|---|---|
![]() |
![]() MA4810 |
![]() Other |
![]() |
![]() Data Sheet |
![]() Negotiable |
|
||||
![]() |
![]() MA4810-4100 |
![]() Shindengen |
![]() Switching Converters, Regulators & Controllers Input V=180-276 W=60 |
![]() Data Sheet |
![]() Negotiable |
|
||||
![]() |
![]() MA4810-4104 |
![]() Shindengen |
![]() Switching Converters, Regulators & Controllers Input V=180-276 W=60 |
![]() Data Sheet |
![]() Negotiable |
|
||||
![]() |
![]() MA4810-4105 |
![]() Shindengen |
![]() Switching Converters, Regulators & Controllers Input V=180-276 W=60 |
![]() Data Sheet |
![]() Negotiable |
|
||||
![]() |
![]() MA4810-7100 |
![]() Shindengen |
![]() Switching Converters, Regulators & Controllers Input V=180-276 W=60 |
![]() Data Sheet |
![]() Negotiable |
|
||||
![]() |
![]() MA4810-7104 |
![]() Shindengen |
![]() Switching Converters, Regulators & Controllers Input V=180-276 W=60 |
![]() Data Sheet |
![]() Negotiable |
|
||||
![]() |
![]() MA4810-7105 |
![]() Shindengen |
![]() Switching Converters, Regulators & Controllers Input V=180-276 W=60 |
![]() Data Sheet |
![]() Negotiable |
|
||||
(China (Mainland))









