Product Summary
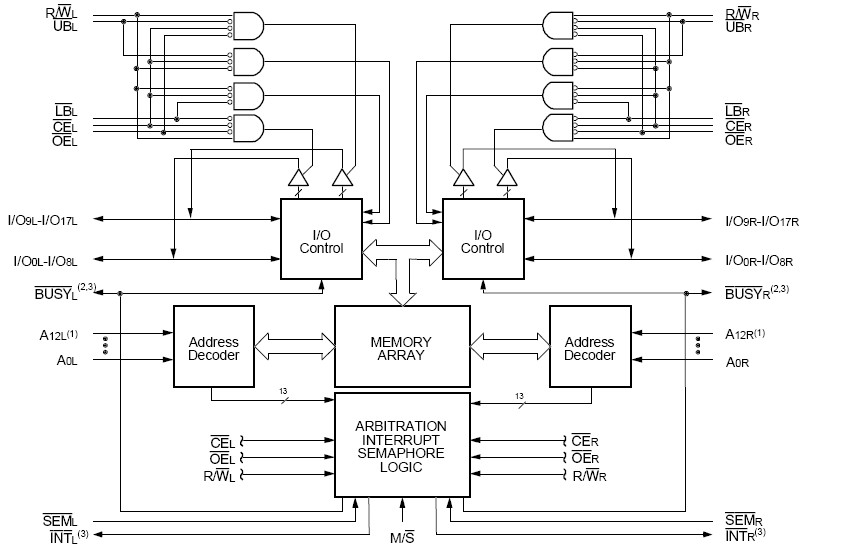
The IDT70V35L20PFI is a high-speed 8/4K x 18 Dual-Port Static RAM. The IDT70V35L20PFI is designed to be used as a stand-alone Dual-Port RAM or as a combination MASTER/SLAVE Dual-Port RAM for 36-bit or wider memory system applications results in full-speed, error-free operation without the need for additional discrete logic. The IDT70V35L20PFI provides two independent ports with separate control, address, and I/O pins that permit independent, asynchronous access for reads or writes to any location in memory. An automatic power down feature controlled by CE permits the on-chip circuitry of each port to enter a very low standby power mode.
Parametrics
IDT70V35L20PFI absolute maximum ratings: (1)VTERM Terminal Voltage with Respect to GND: -0.5 to +4.6V; (2)TBIAS Temperature Under Bias: -55 to +125℃; (3)TSTG Storage Temperature: -65 to +150℃; (4)IOUT DC Output Current: 50mA.
Features
IDT70V35L20PFI features: (1)True Dual-Ported memory cells which allow simultaneous reads of the same memory location; (2)High-speed access; (3)Low-power operation; (4)Separate upper-byte and lower-byte control for multiplexed bus compatibility; (5)IDT70V35/34 easily expands data bus width to 36 bits or more using the Master/Slave select when cascading more than one device; (6)M/S = VIH for BUSY output flag on Master; (7)M/S = VIL for BUSY input on Slave; (8)BUSY and Interrupt Flag; (9)On-chip port arbitration logic; (10)Full on-chip hardware support of semaphore signaling between ports; (11)Fully asynchronous operation from either port; (12)LVTTL-compatible, single 3.3V (±0.3V) power supply; (13)Available in a 100-pin TQFP; (14)Industrial temperature range (-40℃ to +85℃) is available for selected speeds.
Diagrams

| Image | Part No | Mfg | Description | ![]() |
Pricing (USD) |
Quantity | ||||||
|---|---|---|---|---|---|---|---|---|---|---|---|---|
![]() |
![]() IDT70V35L20PFI |
![]() |
![]() IC SRAM 144KBIT 20NS 100TQFP |
![]() Data Sheet |
![]()
|
|
||||||
![]() |
![]() IDT70V35L20PFI8 |
![]() |
![]() IC SRAM 144KBIT 20NS 100TQFP |
![]() Data Sheet |
![]()
|
|
||||||
(China (Mainland))









