Product Summary
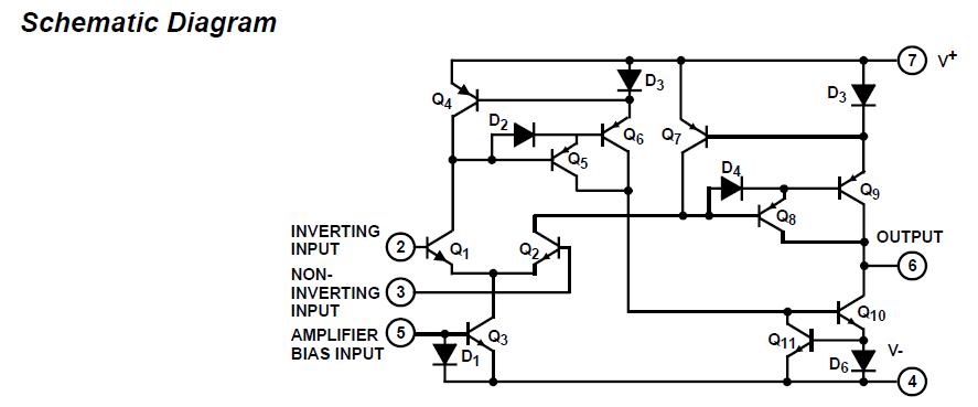
The CA3080M is a Gatable-Gain Block which utilizes the unique operational-transconductance amplifier (OTA) concept described in Application Note AN6668, "Applications of the CA3080 and CA3080A High-Performance Operational Transconductance Amplifiers". The CA3080M has differential input and a single-ended, push-pull, class A output. In addition, the CA3080M has an amplifier bias input which may be used either for gating or for linear gain control. It also has a high output impedance and their transconductance (gM) is directly proportional to the amplifier bias current (IABC). The applications of the CA3080M include Sample and Hold, Multiplier, Multiplexer, Comparator, Voltage Follower.
Parametrics
CA3080M absolute maximum ratings: (1) Supply Voltage (Between V+ and V- Terminal): 36V; (2) Differential Input Voltage: 5V; (3) Input Voltage: V+ to V Input; (4) Signal Current: 1mA; (5) Amplifier Bias Current (IABC): 2mA; (6) Output Short Circuit Duration: No Limitation.
Features
CA3080M features: (1) Slew Rate (Unity Gain, Compensated): 50V/μs; (2) Adjustable Power Consumption: 10μW to 30μW; (3) Flexible Supply Voltage Range: ±2V to ±15V; (4) Fully Adjustable Gain: 0 to gMRL Limit; (5) Tight gM Spread: 2:1; (6) Extended gM Linearity: 3 Decades.
Diagrams

![]() |
![]() CA30 |
![]() Other |
![]() |
![]() Data Sheet |
![]() Negotiable |
|
||||||||||||
![]() |
![]() CA300 |
![]() Extech |
![]() Clamp Multimeters & Accessories REORDER 685-CA310 |
![]() Data Sheet |
![]() Negotiable |
|
||||||||||||
![]() |
![]() CA3019 |
![]() Other |
![]() |
![]() Data Sheet |
![]() Negotiable |
|
||||||||||||
![]() |
![]() CA302 |
![]() Altech |
![]() Terminal Block Tools & Accessories End stop 35x7.5mm DINRail |
![]() Data Sheet |
![]()
|
|
||||||||||||
![]() |
![]() CA3020 |
![]() Other |
![]() |
![]() Data Sheet |
![]() Negotiable |
|
||||||||||||
![]() |
![]() CA3020A |
![]() Other |
![]() |
![]() Data Sheet |
![]() Negotiable |
|
||||||||||||
(China (Mainland))









