Product Summary
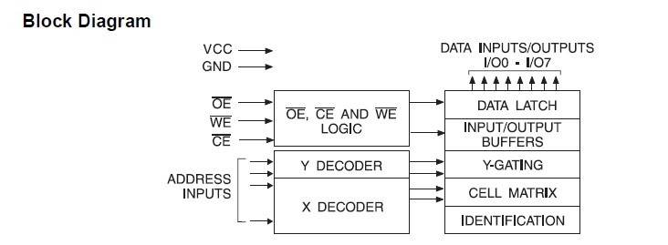
The AT28C16-15PI is a 16K memory organized as 2,048 words by 8 bits. The AT28C16-15PI is manufactured with reliable nonvolatile CMOS technology. The AT28C16-15PI is accessed like a static RAM for the read or writes cycles without the need of external components. During a byte write, the address and data are latched internally, freeing the microprocessor address and data bus for other operations. Following the initiation of a write cycle, the AT28C16-15PI will go to a busy state and automatically clear and write the latched data using an internal control timer. The end of a write cycle can be determined by DATA POLLING of I/O7. Once the end of a write cycle has been detected, a new access for a read or a write can begin.
Parametrics
AT28C16-15PI absolute maximum ratings: (1)Temperature Under Bias: -55 to +125℃; (2)Storage Temperature: -65 to +150℃; (3)All Input Voltages (including NC Pins) with Respect to Ground: -0.6V to +6.25V; (4)All Output Voltages with Respect to Ground: -0.6V to VCC + 0.6V; (5)Voltage on OE and A9 with Respect to Ground: -0.6V to +13.5V.
Features
AT28C16-15PI features: (1)Fast Read Access Time - 150 ns; (2)Fast Byte Write - 200μs or 1 ms; (3)Self-Timed Byte Write Cycle: Internal Address and Data Latches; Internal Control Timer; Automatic Clear Before Write; (4)Direct Microprocessor Control: DATA POLLING; (5)Low Power: 30mA Active Current; 100μA CMOS Standby Current; (6)High Reliability: Endurance: 104 or 105 Cycles; Data Retention: 10 Years; (7)5V ±10% Supply; (8)CMOS & TTL Compatible Inputs and Outputs; (9)JEDEC Approved Byte Wide Pinout; (10)Commercial and Industrial Temperature Ranges.
Diagrams

| Image | Part No | Mfg | Description | ![]() |
Pricing (USD) |
Quantity | ||||
|---|---|---|---|---|---|---|---|---|---|---|
![]() |
![]() AT28C16-15PI |
![]() Atmel |
![]() EEPROM 16k bit |
![]() Data Sheet |
![]() Negotiable |
|
||||
| Image | Part No | Mfg | Description | ![]() |
Pricing (USD) |
Quantity | ||||
![]() |
![]() AT28BV16 |
![]() Other |
![]() |
![]() Data Sheet |
![]() Negotiable |
|
||||
![]() |
![]() AT28BV16-25JC |
![]() Atmel |
![]() EEPROM 16k bit |
![]() Data Sheet |
![]() Negotiable |
|
||||
![]() |
![]() AT28BV16-25JI |
![]() Atmel |
![]() IC EEPROM 16K 2.7V 32PLCC |
![]() Data Sheet |
![]() Negotiable |
|
||||
![]() |
![]() AT28BV16-25PC |
![]() |
![]() IC EEPROM 16KBIT 250NS 24DIP |
![]() Data Sheet |
![]() Negotiable |
|
||||
![]() |
![]() AT28BV16-25PI |
![]() Atmel |
![]() IC EEPROM 16K 2.7V 24DIP |
![]() Data Sheet |
![]() Negotiable |
|
||||
![]() |
![]() AT28BV16-25SC |
![]() Atmel |
![]() EEPROM 16k bit |
![]() Data Sheet |
![]() Negotiable |
|
||||
(China (Mainland))













