Product Summary
The CY7C375I-83GMB is an In-System Reprogrammable Complex Programmable Logic Device (CPLD) and is part of the FLASH370i family of high-density, high-speed CPLDs. Like all members of the FLASH370i family, the CY7C375I-83GMB is designed to bring the ease of use and high performance of the 22V10 to high-density PLDs. the CY7C375I-83GMB is electrically erasable and In-System Reprogrammable (ISR), which simplifies both design and manufacturing flows thereby reducing costs.
Parametrics
CY7C375I-83GMB absolute maximum ratings: (1)Storage Temperature:–65℃ to +150℃; (2)Ambient Temperature with Power Applied: –55℃ to +125℃; (3)Supply Voltage to Ground Potential: –0.5V to +7.0V; (4)DC Voltage Applied to Outputs in High-Z State: –0.5V to +7.0V; (5)DC Input Voltage: –0.5V to +7.0V; (6)DC Program Voltage: 12.5V; (7)Output Current into Outputs: 16mA; (8)Static Discharge Voltage: >2001V (per MIL-STD-883, Method 3015); (9)Latch-up Current: >200mA.
Features
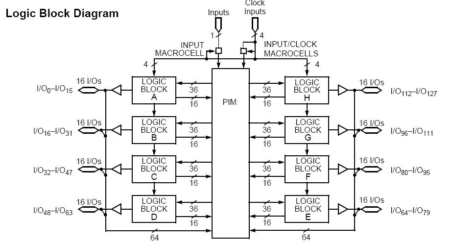
CY7C375I-83GMB features: (1)128 macrocells in eight logic blocks; (2)128 I/O pins; (3) Five dedicated inputs including 4 clock pins; (4) In-System Reprogrammable (ISR Flash technology JTAG Interface; (5) Bus Hold capabilities on all I/Os and dedicated inputs; (6) No hidden delays; (7) High speed: fMAX = 125MHz, tPD = 10ns, tS = 5.5ns, tCO = 6.5ns; (8) Fully PCI compliant; (9)3.3V or 5.0V I/O operation; (10) Available in 160-pin TQFP, CQFP, and PGA packages.
Diagrams

![]() |
![]() CY7C006 |
![]() Other |
![]() |
![]() Data Sheet |
![]() Negotiable |
|
||||||||||||
![]() |
![]() CY7C006A |
![]() Other |
![]() |
![]() Data Sheet |
![]() Negotiable |
|
||||||||||||
![]() |
![]() CY7C006A-15AXC |
![]() Cypress Semiconductor |
![]() SRAM 5V 16Kx8 COM Dual Port SRAM |
![]() Data Sheet |
![]() Negotiable |
|
||||||||||||
![]() |
![]() CY7C006A-15AXCT |
![]() Cypress Semiconductor |
![]() SRAM 5V 16Kx8 COM Dual Port SRAM |
![]() Data Sheet |
![]() Negotiable |
|
||||||||||||
![]() |
![]() CY7C006A-20AC |
![]() |
![]() IC SRAM 16KX8 DUAL 64LQFP |
![]() Data Sheet |
![]() Negotiable |
|
||||||||||||
![]() |
![]() CY7C006A-20AXC |
![]() Cypress Semiconductor |
![]() SRAM 5V 16Kx8 COM Dual Port SRAM |
![]() Data Sheet |
![]()
|
|
||||||||||||
(China (Mainland))










